LED Maskinlys "LYRA" IP65 190x270 mm AC+DC 24V
                                            
                                                Tilføj til kurv
                                            
                                            
                                                Forespørg pris
                                            
                                        
                                    Produktbeskrivelse
Ideel til brug på maskiner, på værkstedsbænke og/eller på samlingsbordet.
- Udstyret med 8 stk. højtydende LED'er
- Lav varmeudvikling betyder, at smøremidler og kølemidler ikke kan brænde sig fast
- Lampehoved er udført i hårdt anodiseret aluminium
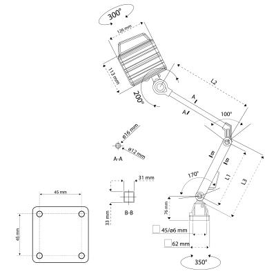
- Arm længde: 190+270 mm
- Justérbare spændeled gør det nemt at tilpasse og justere højden og vinklen på lampehovedet
- Tænd og sluk knap under lampehovedet
- Støv- og stænktæt i henhold til beskyttelsesklasse IP65
- Kabellængde 2,0 meter uden stik
- Effekt: 9,5W
- Strømtilslutning: AC/DC 24V
OBS. Hvis lampen skal anvendes til AC strøm, skal art. 50531950, LED Driver/Transformer 30W til DC 24V LED maskinlys tilkøbes.
                                Produktspecifikationer
                                
                            
                            - 
                                                        Barcode5708004052272
- 
                                                                Armlængde190 x 270 mm
- 
                                                                Befæstningshuller4xM6
- 
                                                                Effektforbrug9,5 W
- 
                                                                Hulafstand45x45
- 
                                                                LampetypeLeddelt fast arm
- 
                                                                Lednings længde2,0 meter (uden stik)
- 
                                                                Lumen830 Lm
- 
                                                                Lysspredning45°
- 
                                                                MaterialeAluminium
- 
                                                                ModelLYRA
- 
                                                                Produkt typeFast arm med led
- 
                                                                Farvetemperatur4000-4500 Kelvin (naturlig hvidt)
- 
                                                                Farvegengivelse (Ra)>70
- 
                                                                IP klasseIP65
- 
                                                        Brutto vægt1,470 kg
- 
                                                        Netto vægt1,410 kg
                                    Relaterede produkter
                                    
                                
                             
                                 
                                         
                                         
                                         
                                         
                                         
                                         
                                         
                                         
                                         
                                 
                                 
                                 
                                 
                                 
                                 
                                 
                                 
                                 
				 
				 
				 
				